LM2576
LM2576
BOLE
NS TO-220263
In Stock: 88891 pcs
-spændingsregulatoren er nyttige i moderne elektroniske design.Denne artikel dykker ned i forviklingerne i LM2576, en nedbrydning af skiftende regulator, der er kendt for sin 3A-outputkapacitet og dens innovative integration af sikkerhedsfunktioner såsom nuværende begrænsning og termisk nedlukning.Med understregning af dens alsidighed understøtter regulatoren indgangsspændinger op til 60V og strømline kredsløbsintegration ved at minimere behovet for eksterne komponenter.Det forbedrede tilpasningsevne og avancerede beskyttelsesforanstaltninger, væsentlig komponent i forskellige krævende anvendelser, fra industrielle omgivelser til strømfølsomme bærbare enheder.Denne efterforskning vil også tackle LM2576's drift, fra grundlæggende funktionalitet og pin -konfiguration til dens kernekomponenter og tekniske overvejelser, hvilket giver et omfattende overblik over dens effektive rolle i effektive strømstyringsløsninger.
Katalog
De
LM2576
LM2576
BOLE
NS TO-220263
In Stock: 88891 pcs
, udformet af Texas Instruments, leverer en 3A-output som en nedbrydningsspændingsregulator.Den har en stabil 52 kHz oscillator og en præcis 1,23V -referencegulator.Designet til høje aktuelle applikationer inkluderer det også kredsløb til strømbegrænsning og termisk nedlukning, hvilket giver lag af sikkerhed og pålidelighed, hvilket afspejler ønsket om konsekvent ydeevne under forskellige forhold.
Denne regulator forenkler spændingsstabilisering, hvilket reducerer afhængigheden af eksterne komponenter.Sikkerhedsfunktioner som nuværende begrænsende og termisk nedlukning forbedrer pålideligheden.Dets design fjerner ofte behovet for en køleplade, sparer plads og catering til praktiske behov i forskellige omgivelser - spirende søgen efter enkelhed og effektivitet.
LM2576 beviser sin effektivitet i strømforsyningsdesign, der kræver stærk termisk styring og kompakthed.Dens tænd/sluk -kontrolpin tilføjer fleksibilitet til strømstyring i dynamiske systemer.Denne tilpasningsevne appellerer til dem, der foretrækker innovation frem for traditionelle lineære regulatorer, og understreger kreativitet i problemløsning.
Udskiftninger og ækvivalenter:
•
CS51411
CS51411
ON
622
In Stock: 1390 pcs
•
LM2575
LM2575
NS
NS TO263220
In Stock: 2612 pcs
•
LM2596
LM2596
BOLE
XINBOLE TO-263-220
In Stock: 88991 pcs
•
LM2940
LM2940
NS
1141
In Stock: 2200 pcs
•
MP2307
MP2307
MPS
1141
In Stock: 2300 pcs
•
LM7805
LM7805
HS
LM7805 HTC TO-220
In Stock: 2390 pcs
Strømlinet kredsløbsintegration
LM2576
LM2576
BOLE
NS TO-220263
In Stock: 88891 pcs
-spændingsregulatoren letter kredsløbsintegrationen med dets design, der kræver minimale eksterne komponenter.Dette muliggør mindre komplicerede design, hvilket resulterer i hurtigere prototype og glattere fejlfindingsprocesser under applikationsudvikling.
Tilpasningsevne til forskellige strømkilder
Med understøttelse af indgangsspændinger op til 60V henvender LM2576 sig til en række strømkilder, hvilket forbedrer dens egnethed til forskellige projekter.Dette aspekt værdsættes i situationer med svingende effektindgange, hvilket understreger enhedens fleksibilitet og holdbare karakter.
Overlegen effektivitet
Ved at opnå større effektivitet end traditionelle lineære regulatorer tilbyder denne enhed bemærkelsesværdig effektbevaring og nedsat varmeproduktion.Dette betyder til udvidet batterilevetid og stabil ydelse, især i bærbare og batteridrevne enheder, der opfylder dine forventninger til konsistens.
Robuste beskyttelsesfunktioner
Udstyret med indbygget overophedning og kortslutningsbeskyttelse opretholder LM2576 pålidelighed på tværs af forskellige forhold.Disse sikkerhedsfunktioner forhindrer potentielle skader i ekstreme situationer og tilbyder forsikring i krævede og delikate applikationer.
Indflydelse på systemets holdbarhed
Synergien med høj effektivitet og omfattende beskyttelse beskytter ikke kun udstyret, men mindsker også frekvensen og omkostningerne ved vedligeholdelse.Disse kvaliteter bidrager til forbedret system levetid og pålidelighed, hvilket påvirker valg i industrielle omgivelser.

LM2576
LM2576
BOLE
NS TO-220263
In Stock: 88891 pcs
-spændingsregulatoren, et krævet stykke i strømstyring, kan prale af en omhyggeligt arrangeret pin -konfiguration, der kræves for sin bedste ydelse.At gribe hver pin's funktion kan i høj grad øge effektiviteten og pålideligheden af elektroniske systemer.
VIN: Indgangsspænding
Denne pin accepterer den indkommende spænding for regulatorens funktion.Tilføjelse af en velvalgt kondensator kan afbøde indgangsspændingsvariationer, forbedre stabiliteten og holdbarheden.Du kan foreslå keramiske kondensatorer på grund af deres lave ESR, hvilket dygtigt reducerer potentielle spændingsstigninger.
Output: Reguleret spændingsudgang
Denne pin leverer en stabil, reguleret spændingsudgang.Valget af outputkondensatorer spiller en rolle i minimering af spændingsvippel, et betydeligt element i opretholdelses -systemeffektivitet.Opnåelse af lav krusning involverer normalt tankevækkende outputfilterdesign, drevet af mange års erfaring og praktisk test.
Jord: System Ground Connection
Denne pin fungerer som et spændingsreferencepunkt i hele kredsløbet, der kræves til præcis regulering.Effektive jordforbindelsesmetoder, såsom minimering af jordsløjfer, hjælper med at afværge potentiel støjinterferens-en lektion, der læres af omfattende kredsløbsproblemløsning.
Feedback: Spændingsreguleringsreference
Feedback -stiften sikrer udgangsspændingen forbliver reguleret ved at kontrastere den med en indstillet referencespænding.Præcisionsmodstande er normalt engageret i denne vej for at garantere nøjagtig feedback og stabil ydeevne.Brug af modstande med høj tolerance forbedrer markant stabilitet under forskellige forhold.
ON/OFF: Aktivering
ON/OFF -stiften styrer regulatorens aktiveringstilstand.Brug denne pin til at bevare magten, deaktiverer regulatoren, når den er unødvendig.Denne forståelse er bredt omfavnet, da energieffektivitet bliver i stigende grad i designovervejelser.
Kernekomponenter
LM2576
LM2576
BOLE
NS TO-220263
In Stock: 88891 pcs
-spændingsregulatoren integrerer adskillige krævede elementer: en induktor, en diode og en skiftende transistor.En sofistikeret controller orkestrerer disse dele, der harmoniserer dem for at sikre effektiv spændingsregulering.
Funktionalitet og drift
Primært omdanner regulatoren højfrekvent pulsstrømme til en stabil spændingsudgang.Gennem indviklede elektromagnetiske feltjusteringer opretholder det ensartede spændingsniveauer.Controlleren modulerer transistorens on-off-cyklusser og tilpasser sig dynamisk til driftscyklusændringer med subtil præcision.
Induktor og diodedynamik
Induktoren gemmer energi, når kontakten er aktiv og frigiver den, når den er inaktiv, og udjævner strømmen.Dioden beskytter processen ved at dirigere strøm korrekt og forhindre omvendt strømning, der kan skade komponenter.Denne interaktion driver regulatorens effektivitet.
Controller og skiftemekanisme
Controlleren i LM2576 vurderer belastningsbehov og skræddersy switching -mekanismen til at matche.Ved hurtigt at skifte transistoren forbliver det lydhør på belastningsskift, hvilket sikrer en stabil spændingsudgang.Denne smidighed øger både ydeevne og pålidelighed og fremmer en følelse af stabilitet under variable forhold.
Effektiv komponentdesign og layout kan især forbedre termisk ydeevne og samtidig reducere elektromagnetisk interferens.Tankevækkende placering af komponenter hjælper med at optimere varmeafledning, hvilket affører viden fra omfattende test og iterative forbedringer.
Rejsen begynder med at evaluere, om indgangsspændingen falder inden for LM2576s specificerede interval.Dette trin harmoniserer ydeevne med beskyttelse ved at forhindre potentielle skader fra spændingsekstremer.Regelmæssig inspektion i faktiske anvendelser reducerer risikoen og øger systemets pålidelighed.
Det centrale i LM2576s funktionalitet er dens anvendelse af Pulse Wideh Modulation (PWM) -teknologi til at transformere spænding effektivt.PWM varierer intrikat skiftet varighed til finjustering af outputniveauer.Dens udbredte anvendelse tilskrives dens færdigheder i energikonvertering og præcision i kontrol.
Et krævet element i spændingsregulatorkredsløbet er induktoren, der kræves til udjævning af udgangsspænding.Ved at holde og frigive energi med omtanke reducerer det spændingsruslingen, hvilket sikrer en kontinuerlig og stabil output.Praktiske oplevelser bringer valget af passende induktive komponenter, der er skræddersyet til specifikke behov.
For at holde udgangsspændingen på målrettede niveauer anvendes en feedback -loop.Denne mekanisme overvåger vedvarende output og justerer ledningstiden for kontaktrøret.Dens tilpasningsevne til skift sikrer omhyggelig kontrol, et koncept med succes integreret i forskellige elektroniske designs til at hæve ydelsen.
Interventioner fra feedback loop, kombineret med PWMs effektivitet, er påkrævet for at nå ønskede output.Raffinering af disse variabler baseret på empiriske beviser fra analoge miljøer forbedrer ikke kun ydeevnen, men forlænger også regulatorens levetid og understreger harmonien mellem teori og praksis.

Indgangsspændingsområde
Indgangsspændingsområdet tilbyder en måde at måle regulatorens tilpasningsevne til forskellige strømkilder.Anerkendelse af dette interval hjælper med at forhindre potentiel skade, samtidig med at man fremmer optimal ydelse.Valg af en strømkilde inden for denne parameter sikrer konsekvent strømforsyning, hvilket understøtter stabiliteten af delikate elektroniske komponenter.
Udgangsspænding og strøm
Udgangsspænding og aktuelle specifikationer er medvirkende til at imødekomme kravene til bestemte applikationer.Effektiv strømstyring kræver nøjagtige justeringer.Ved at tilpasse belastningskrav med disse parametre kan systemer opnå en bemærkelsesværdig effektivitet og pålidelighed.
Skiftfrekvens
Skiftfrekvens spiller en rolle i bestemmelsen af effektiviteten og fodaftrykket af eksterne komponenter.Balancer disse aspekter forsigtigt for at opfylde specifikke designmål.Højere frekvenser kan give mulighed for mindre induktorer, skønt de kan komplicere design.Denne overvejelse er påkrævet, når man beskæftiger sig med pladsbegrænsninger, såsom i kompakte enheder.
Termisk styring
Håndtering af varme kan sikre ensartet regulatorfunktion og forlænge dens levetid.Teknikker såsom integration af køleplade og sikre tilstrækkelig luftstrøm er påkrævet praksis.Sådanne strategier hjælper med at opretholde drift inden for sikre temperaturgrænser, afværge termisk nedlukning eller fiasko.
Effektivitetshensyn
Effektivitet påvirker den samlede enhedsfunktionalitet, der påvirker energiforbruget.Overvågning og finjustering kan give energibesparelser.Brug af komponenter med lavt tab og optimering af kredsløbslayouts er standardmetoder for at øge effektiviteten.Disse strategier er fordelagtige i batteridrevne enheder, hvor bevarelse af energi har stor betydning.
Hver parameter former, hvor effektivt
LM2576
LM2576
BOLE
NS TO-220263
In Stock: 88891 pcs
fungerer, og skræddersy sin rolle for forskellige tekniske opgaver.Et omfattende greb om disse faktorer muliggør tankevækkende design og implementering af strømforsyningsstrategier, der er i overensstemmelse med forskellige tekniske og operationelle forhåbninger.
Schottky Diodes
Schottky -dioder er værdsatte for deres hurtige skiftekompetencer og minimal spændingsfald, der forbedrer effektkonverteringseffektiviteten i
LM2576
LM2576
BOLE
NS TO-220263
In Stock: 88891 pcs
.De styrer dygtigt hurtige ændringer, reducerer energitab og øger systemeffektiviteten.Valg af en diode med den rigtige strømrating og termisk styring er påkrævet for vedvarende ydeevne, hvilket ofte kræver tankevækkende termisk design og omhyggelig komponentvalidering.
Induktorvalg
Induktoren definerer LM2576s outputstrømkapacitet og fungerer i både kontinuerlige og diskontinuerlige tilstande.Dets selektion påvirker ikke kun effektivitet, men også nuværende krusning og elektromagnetisk interferens.Faktorer som kernemateriale, mætningstrøm og fysisk størrelse bør overvejes for at optimere ydeevnen med evaluering i forskellige operationelle situationer for at sikre stabilitet og effektivitet.
Betydning af lave ESR -kondensatorer
Lav ESR -kondensatorer, såsom aluminium eller tantal, foretrækkes til at minimere indgangsspændingsrippel og sikre stabil strømforsyning.Mens keramiske kondensatorer muligvis introducerer højfrekvente resonanser og øger støj, kan indstilling af ESR-værdier modvirke sådanne effekter, hvilket sikrer effektiv input bypass og tabsminimering.
Sørg for outputkondensatorstabilitet
Outputkondensatorer spiller en rolle i loop -stabilitet og reducerer spændingsudsving.Afbalancering af ESR kan hjælpe med at undgå ustabilitet.Kombination af forskellige kondensatortyper, som tantal eller elektrolytisk med keramik, kan forbedre ydeevnen på tværs af forskellige belastninger og forhold.Iterativ test og finjustering rådes til at imødekomme specifikke applikationskrav.
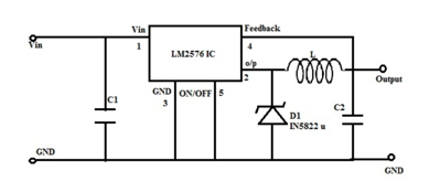
Illustrationen understreger en konfiguration, der er egnet til en 5V, 3A switching -regulator ved anvendelse af elementer som
LM2576
LM2576
BOLE
NS TO-220263
In Stock: 88891 pcs
, IN5822 -dioder og kondensatorer.Skræddersyet til digitale strømapplikationer ligger dens egnethed til bilsektorer i dens evne til at håndtere et inputområde på 7V til 40V.Denne opsætning tilbyder tilpasningsdygtige outputniveauer fra 1,23V til 37V, mens dens design strategisk begrænser termisk produktion.

LM2576 Spændingsregulator
Som det centrale element i dette kredsløb er LM2576 kendt for både pålidelighed og effektiv skift.Det giver en jævn spændingsregulering med minimalt effekttab.Dens struktur kan yndefuldt imødekomme forskellige spændingsbehov, der understøtter stabil ydelse på tværs af forskellige enheder.
In5822 Dioder
Disse dioder spiller en beskyttende rolle ved at blokere omvendt strømstrøm, som opretholder kredsløbets integritet midt i forskellige elektriske forhold.Ofte foretrækkes for deres lave fremadrettede spændingsfald, de forbedrer systemets effektivitet.
Kondensatorer
Kondensatorer er medvirkende til denne opsætning til stabilisering af udgangsspænding og reduktionsspændingsspidser.Denne stabilisering er fordelagtig i miljøer med inkonsekvente effektindgange, såsom bilsystemer.
1. Hvad er LM2576 nuværende regulator?
LM2576 er en sofistikeret monolitisk IC, der er udformet til nedbrydning (buck) regulatorer.Det understøtter en 3A -strøm, der giver stabil spændingsregulering og viser effektivitet på tværs af forskellige anvendelser.
2. Hvad er brugen af LM2576?
LM2576 fungerer primært som kernekomponenten i buck -skiftende regulatorer.Det håndterer effektivt belastninger op til 3A og opretholder regulatorisk nøjagtighed.Erfaringer har vist sin modstandsdygtighed i magtfølsomme opsætninger.
3. Hvad er forskellen mellem LM2596 og LM2576?
LM2596 tilbyder en højere driftsfrekvens sammenlignet med LM2576, som muliggør brug af mindre induktorer og kondensatorer.Det inkluderer også en tom-strømtilstand, der er fordelagtigt for design, der fokuserer på effekteffektivitet.
4. Hvilken strømforsyning bruger LM2576?
Den justerbare variant, LM2576-ADJ, kan håndtere indgangsspændinger op til 40V.Det spiller en krævet rolle i at opretholde kredsløbsstabilitet, der er egnet til applikationer som forstærkere, ved nøjagtigt at styre indgangsspændingsniveauer.
5. Hvordan fungerer LM2576?
Som en buck-konverter fungerer LM2576 som en forudregulator til lineære regulatorer.Det håndterer dygtigt spændingsreduktion i kredsløb, sikrer effektiv energikonvertering og er effektiv i situationer, der kræver ensartede spændingsudgange.
Del dette indlæg