74HC00
74HC00
RENESAS
74HC00 ST SOP
In Stock: 6124 pcs
, et prominent medlem af CMOS Logic IC-familien, integrerer fire NAND-porte i en pakke, der udnytter silicium-gate-teknologi, der matcher LS-TTL-operationelle hastigheder med især lavere strømforbrug.Denne blanding af hastighed og effektivitet, forstærket af dens evne til at køre op til ti LS-TTL-belastninger og intern diodeklemme til elektrostatisk udladningsbeskyttelse, placerer 74HC00 som en alsidig og pålidelig komponent i digitalt kredsløbsdesign.Du kan sætte pris på dens bufret output til forbedret støjimmunitet og dens kompatibilitet med flere branchestandardækvivalenter, hvilket gør det til en hjørnesten i at skabe innovative og robuste digitale systemer.
Katalog
De
74HC00
74HC00
RENESAS
74HC00 ST SOP
In Stock: 6124 pcs
, der inkorporerer fire NAND-porte, er kendt for sin tilpasning til LS-TTL-familien.
Ved at anvende Silicon-Gate CMOS-teknologi opnår det operationelle hastigheder svarende til LS-TTL, mens det opretholder et fokus på lavt strømforbrug.Denne balance giver dig mulighed for at udnytte både hastighed og effektivitet og dyrke design, der resonerer med opfindsomhed.Bufferet gateudgange forbedrer støjimmunitet, en faktor, der bidrager til stabil ydeevne, selv i udfordrende signalmiljøer.
Dens evne til at køre op til ti LS-TTL-belastninger gør det velegnet til systemer, hvor adskillige signaludgange ønskes.
Udstyret med intern diodeklamning minimerer den risikoen forbundet med elektrostatisk udladning.Denne funktion understreger dens rolle i at udvide komponentens levetid, hvilket subtilt afspejler visdommen i at søge langsigtet pålidelighed.
Udskiftninger og ækvivalenter:
•
CD4011
CD4011
I-CORE
701
In Stock: 25220 pcs
• MC54HC00AJD
• M74HC00M1
• SN54LS00
• SN74HCT00DTE4
•
74HCT132D
74HCT132D
NXP
74HCT132D PHILIPS SOP14
In Stock: 16924 pcs
•
74HCT00
74HCT00
TI
74HCT00 ST SOP14
In Stock: 2870 pcs

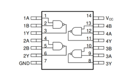
• Stifter 1, 2, 4, 5, 9, 10, 12, 13: Dataindgange
Disse stifter er udformet til at modtage indgangssignaler, der styrer logiske operationer for NAND -porte inde i chippen.At sikre, at disse input er fri for interferens fremmer pålidelig kredsløbsadfærd, der reflekterer for kontrol og forudsigelighed.
• Pins 3, 6, 8, 11: Dataudgange
Disse stifter, der fungerer som output, formidler resultaterne af NAND -gate -beregningerne.De kan anvendes i forskellige digitale logiske konstruktioner, der væver sammen komplekse logiske mønstre.Når flere kredsløb er tilsluttet en enkelt output, antyder de potentielle belastningseffekter til den delikate balance, der kræves i indviklede forhold.
• Pin 7: jord (GND)
Denne pin opretter forbindelse til systemjorden for at tilvejebringe et stabilt referencepunkt for spændinger.Etablering af en sådan stabil forbindelse er i overensstemmelse med den naturlige forfølgelse af jordforbindelse og klarhed og minimering af forstyrrelser.
• Pin 14: Positiv strømforsyning (VCC)
Fodring af den korrekte spænding gennem denne pin understøtter enhedens ydelse.Mens opretholdelse inden for det specificerede interval forbedrer levetiden og effektiviteten, kan det at placere afkoblingskondensatorer nær effektstifterne væsentligt stabilisere operationen, og spejle strategier for at styre livets kompleksiteter.
74HC00
74HC00
RENESAS
74HC00 ST SOP
In Stock: 6124 pcs
er designet med fire uafhængige NAND -porte, der fokuserer på magteffektivitet, og tiltrækker dig med dens pålidelige ydelse i digitale kredsløb.Dens imponerende støjimmunitet bidrager til stabile applikationer, som mange finder tiltalende for projekter, der prioriterer konsistens.Fås i DIP og SOIC -formater, det opfylder forskellige designkrav og tilbyder fleksible PCB -layoutindstillinger.
74HC00s tilpasningsevne giver den mulighed for at passe ind i en lang række logiske portkonfigurationer og indviklede systemer.Du kan værdsætte dens robuste input/output køreevne og finde det nyttigt til at udforme komplekse digitale funktioner.
Dens evne til at operere under forskellige forhold gør 74HC00 populær inden for uddannelse og prototypeudvikling.Den lethed, hvorpå det tilpasser sig øget kredsløbskompleksitet, inspirerer dig til at udforske nye innovationer uden at ofre ydeevne.
Producentoversigt
Texas Instruments har fået et ry for sin dedikation til at skabe pålidelige og banebrydende halvlederprodukter.Med deres urokkelige fokus på holdbarhed og overlegen ydeevne finder Texas Instruments 'komponenter sig i hjertet af adskillige applikationer og viser deres effektive rolle i elektronikindustrien.
Fysiske dimensioner
Måling af 8,65 mm x 3,91 mm x 1,58 mm,
74HC00
74HC00
RENESAS
74HC00 ST SOP
In Stock: 6124 pcs
kan prale af et slankt design, der er skræddersyet til kompakte miljøer.Disse dimensioner forenkler integration i forskellige kredsløbskortlayouts, så du kan få mest muligt ud af begrænset plads uden at gå på kompromis med enhedens bemærkelsesværdige kapaciteter.
Elektriske egenskaber
Forsyningsspændingen spænder fra 2V til 6V, der tilbyder tilpasningsevne til at vælge strømkilder og sikre kompatibilitet med et bredt spektrum af digitale kredsløb.Denne spændingsområde understøtter alsidige applikationer, hvilket gør det muligt for 74HC00 at tilpasse sig ændrede krav i dynamiske miljøer.
Temperatur og miljøforhold
Driften effektivt mellem -40 ° C og 85 ° C er enheden designet til at trives i forskellige klimaer og industrielle forhold.Dens modstand mod ekstreme temperaturer gør det til et foretrukket valg for forbrugerelektronik og industrielle anvendelser, hvor miljøvariabilitet er en given.
Ydelsesmetrics
74HC00 tilbyder en forplantningsforsinkelse på 23 nanosekunder, der udmærker sig i behandlingseffektivitet, der kræves til højhastighedslogikfunktioner.Denne hurtige ydelse er fordelagtig til applikationer såsom digitale signalstyring og kommunikationssystemer, hvor hurtig dataudveksling er en nødvendighed.
Strukturel sammensætning
Enheden inkluderer 4 porte til NAND -logiske operationer, der giver betydelig funktionalitet til komplicerede logiske design.Denne konfiguration viser sig fordelagtigt, hvor logiske operationer er nødvendige for at udføres effektivt, hvilket sikrer hurtig og pålidelig behandling inden for systemer.
Klassifikation
Funktionen som en logisk gate fungerer 74HC00 som en primær komponent i oprettelse af digitalt kredsløb.Du kan bruge disse elementer til at konstruere komplekse digitale systemer og således forbedre beregningseffekten og fremme behandlingsfunktioner på innovative måder.
74HC00
74HC00
RENESAS
74HC00 ST SOP
In Stock: 6124 pcs
integrerer fire separate NAND -porte, hver med to input, der fører til en enkelt output.Operationen afhænger af en detaljeret sandhedstabel.Specifikt falder output kun til lavt, hvis begge input er høje.Ellers forbliver output højt - et primært element i digital logisk design, der fungerer som en kernekomponent i udformningen af mere komplicerede kredsløb.
Positiv feedback påvirker subtilt stabiliteten på tværs af disse porte.Når hver port behandler sine input, tjener feedback til at styrke en stabil outputtilstand og fremme en konsekvent ydelse.Denne ligevægt nås ved at harmonisere portens reaktioner med inputværdierne.Du kan udnytte dette aspekt for at smede kredsløb, der kræver pålidelige logiske tilstande, der afslører et lag af den sikrede forudsigelighed.
At gribe fat i subtiliteterne i input-output-dynamikken inden for NAND-porte forbedrer potentialet for strømlinede kredsløbsdesign.Almindelige applikationer inkluderer konstruktion af flip-flops og udførelse af logiske opgaver som og, eller, og ikke operationer.Denne alsidighed understreger deres vedtagelse på tværs af et spektrum af kontekster, fra lige kontrolmekanismer til sofistikerede beregningsrammer.
Ved at reflektere over den bredere anvendelighed af 74HC00 finder dens pålidelige ydelse relevans i felter, der spænder over forbrugerelektronik til industriel automatisering.Kraften til at arrangere disse porte i forskellige logiske rammer tildeler betydelig kreativ frihed og tilskynder til innovation.De vigtigste principper for NAND -porte inspirerer til skræddersyede løsninger til unikke teknologiske forhindringer.
74HC00
74HC00
RENESAS
74HC00 ST SOP
In Stock: 6124 pcs
er en firedoblet to-input NAND-port designet med udsøgt præcision.Det legemliggør en harmonisk blanding af praktisk og teknologisk raffinement.
Funktioner
• fungerer på et bredt spændingsområde
• Viser hurtig udbredelsesforsinkelse
• Velegnet til højhastigheds- og lavkraftoperationer
Elektriske egenskaber
• Spænding og strøm: Denne komponent fungerer over en bredde af spændingsniveauer, der imødekommer en mangfoldighed af designbehov.
• Temperaturområdet: Udfører pålideligt på tværs af forskellige temperaturindstillinger, hvilket tillader tilpasningsevne til forskellige miljøforhold.
Applikationer
• Generelle anvendelser: En alsidig komponent, den finder et sted i utallige digitale kredsløb, der opfylder behov, der spænder fra hverdagens opgaver til komplekse applikationer med nåde.
• Specifikke implementeringer: Fra forbrugerelektronik til industrielle mekanismer integrerer 74HC00 problemfrit og manifesterer sit anvendelighed i hver applikation.
74HC00
74HC00
RENESAS
74HC00 ST SOP
In Stock: 6124 pcs
-chip udviser bemærkelsesværdig tilpasningsevne, der ofte vises i forskellige elektroniske sammenhænge takket være dets brede spektrum af funktionaliteter.
Buffering og kørsel
74HC00 fungerer som en buffer eller driver, der fremmer sømløs forbindelse på tværs af kredsløb.Ved at minimere spændingsfald og begrænse signalnedbrydning etablerer det konsekvent kommunikation mellem komponenter.I praktisk elektronik kan anvendelse af 74HC00 som buffer styrke en mikrokontrollers kapacitet til at aktivere flere LED'er eller relæmoduler, et hyppigt træk i DIY-projekter.
Logikoperationer
Denne chip muliggør logiske operationer, såsom NAND -porte, der danner kernen i komplicerede systemer.Dens ubesværede integration i forskellige logiske kredsløb understreger dens anvendelighed.I digitalt design giver det at udnytte NAND -porte dig til at konstruere sofistikerede logiske kredsløb med færre komponenter, hvilket forbedrer både overkommelige priser og kompakthed.
Indlejret systemintegration
Inden for indlejrede systemer strømmer 74HC00 -opgaven udførelse ved indlejring af logiske logiske funktioner inden for mikrokontrollerinitiativer.
Talrige IoT -enheder anvender denne chip til at udføre betingede kontroller og administrere perifere enheder, hvilket øger systemets reaktion og pålidelighed.
Niveau konvertering
74HC00 betjener en effektiv rolle i niveau -konvertering og justering af signalniveauer mellem forskellige kredsløb.Dette letter glat grænseflade af komponenter med varieret spændingsvurderinger.I blandede spændingssituationer, såsom at forbinde en 5V mikrokontroller til en 3,3V-sensor, bro 74HC00 problemfrit kløften og sikrer præcis datadeling.
Timing og kontrolkredsløb
Chippen indeholder også timing og kontrolkredsløb, der hjælper med den omhyggelige koordinering af sekventielle logiske opgaver, forbedring af applikationer som forsinkelseslinjekredsløb og pulsgenerering.Raffinering af timingskredsløb med 74HC00 forbedrer præcisionen i opgaver som synkrone kommunikationssystemer, beskyttelse af datavidenskab gennem omhyggelig tidsstyring.
Digital sammenligning til binær sammenligning
74HC00 fungerer som en digital komparator til binære sammenligninger, ideel til beslutningstagning inden for digitale rammer.Det skelner ligestilling eller variation mellem binære figurer.Anvendelse af 74HC00 til binær sammenligning giver en effektiv rute til implementering af forgreningsbeslutninger i forskellige digitale protokoller, hvilket styrker systemets ydeevne i aktiviteter.
74HC00 datablad:
74HC00 Detaljer PDF74HC00 Detaljer PDF for fr.pdf74HC00 Detaljer PDF for KR.PDF74HC00 Detaljer PDF til det.pdf74HC00 Detaljer PDF for es.pdf
1. Hvad er funktionaliteten af 74HC00?
74HC00 inkorporerer fire uafhængige 2-input NAND-porte, der opererer inden for et strømområde fra 2,0V til 6,0V.Servering af digitale logiske systemer muliggør det dannelse af logiske operationer, der danner rygraden i komplicerede digitale arkitekturer.
2. Hvor mange NAND -porte indeholder 74LS00?
74LS00 omfatter et sæt med fire NAND -porte, hver designet med to input og en entydig output.Denne konfiguration er et almindeligt valg, når man udvikler enheder inden for digital elektronik.
3. Hvad adskiller 74HC00 fra 74LS00?
En hovedforskel er deres spændingstilpasningsevne.74HC00 fungerer inden for et 2V til 6V -rækkevidde, mens 74LS00 er begrænset til en 5V strømforsyning.Valg afhænger ofte af variationerne i anvendelsesbehov og miljøfaktorer.
4. kan du beskrive 74HC -serien?
74HC-serien har højhastigheds-CMOS-integrerede kredsløb, der tilbyder TTL-kompatible hastigheder med reduceret strømforbrug.Deres kompatibilitet med 74LS -seriens pin -layouts giver mulighed for let integration og udskiftning i eksisterende kredsløb.
5. Hvad er anvendelserne af 74HC00?
I digitale kredsløb er 74HC00 instrumental, hvor NAND -logiske porte er påkrævet til signalinversion og udførelse af komplekse logiske handlinger.Dets tilpasningsevne gør det til et værdifuldt aktiv i uddannelsesmæssige sammenhænge og professionelle elektroniske ventures.
Del dette indlæg